side_banner.gif (4871 bytes)

                             

 

AVAILABLE INSTRUMENTS with CE MARK

CLASSIFICATION

OPERATING PRINCIPLE

FULL SCALE VALUE

DC

AMMETERS

MOVING COIL TYPE

0-50†A up to 0-30A

VOLTMETERS

0-50mV up to 0-1000V

AC

AMMETERS

MOVING IRON TYPE

0-1A up to 0-30A

VOLTMETERS

0-50V up to 0-300V

AMMETERS

RECTIFIER TYPE

0-1mA up to 0-10mA

VOLTMETERS

0-3V up to 0-1000V

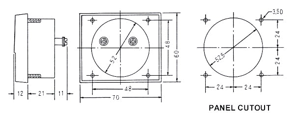
| DC METER CONSTRUCTION |

Send an E-mail to herrong@ms4.hinet.net,with any question and comment to this web site.

COPYRIGHT © 1997-2011 HER RONG ELECTRIC WORKS CO., LTD. All right reserved

LAST UPDATE :12/11/2011          Sales Manager: Mr. C.K. Hsieh