side_banner.gif (4871 bytes)

SD SERIES with CE MARK

 

AVAILABLE  INSTRUMENTS

CLASSIFICATION

OPERATING PRINCIPLE

FULL SCALE VALUE

DC

AMMETERS

MOVING COIL TYPE

0-50ľA up to 0-10A

VOLTMETERS

0-50mV up to 0-1000V

AC

AMMETERS

RECTIFIER TYPE

0-1mA up to 0-10mA

VOLTMETERS

0-3V up to 0-1000V

SDD.jpg (13731 bytes)

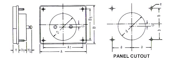
DIMENSIONS ( Unit : mm)

Model

SD-83

SD-64

SD-46

A

110

85

60

B

83

64

46

H

12

11

11

A1

58

45

32

B1

58

45

32

H1

22

22

22

H2

9

9

8

D

58

45

38

G

9.3

3.5

1.5

a

29

22.5

16

b

29

22.5

16

d

58.5

45.5

38.5

e

3.5

3.5

3.5

| MORE INFORMATION |

HEW3.jpg (37947 bytes)

Send an E-mail to herrong@ms4.hinet.net,with any question and comment to this web site.

COPYRIGHT © 1997-2001 HER RONG ELECTRIC WORKS CO., LTD.

LAST UPDATE :2010/03/17                     IT Manager: Mr. C.K. Hsieh